91视频88AV,最新91视频网站,91视频网站导航APP,91视频黄色APP下载二维码

    金若豪

    值得信赖的
    运动控制产品制造商

    服务热线: 18825289603

    您所在的位置: 首页 >

    KKH50直线91视频网站导航APP

    video

    18825289603

    在线咨询
    • 技术参数
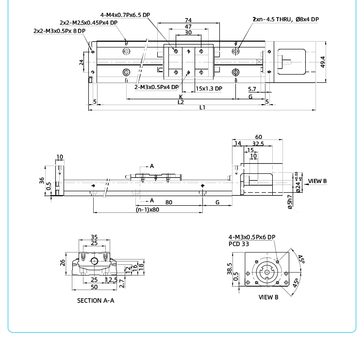
    • 外形尺寸
    • 资料下载

    KKH50精度等级(单位:mm)

    型号

    轨道长度

    定位重现性

    定位精度

    行走平行度

    最大启动扭力(N.cm)

    精密级

    一般级

    精密级

    一般级

    精密级

    一般级

    精密级

    一般级

    KKH50

    150

    ±0.003

    ±0.01

    0.020

    ¯

    0.010

    ¯

    4

    2

    200

    250

    300

    KKH50最大速度表格

    型号

    滚珠螺杆导程

    mm

    轨道长度

    L2(mm)

    速度(mm/sec

    精密级

    一般级

    KKH50

    02

    150

    270

    270

    200

    250

    300

    KKH50负载规格
    KKH50参数

    命名规则

    命名规则

    KKH50
    • 品牌:91视频88AV
    • 推荐91视频黄色APP下载二维码: SD-422R
    • 适配最新91视频网站:42步进最新91视频网站
    • 高精度,高刚性
    1、设计及安装容易

    2、体积小,节省空间

    3、重量轻

    4、高精度

    5、高刚性

    6、配备齐全

    7、最适合设计

    电话咨询

    电话咨询
    18825289603

    在线咨询

    QQ咨询

    返回顶部

    网站地图