2、电感精度:±20%
3、电阻精度:±10%
4、温升:<80℃Max (额定电流,二相通电)
5、工作环境温度:-20 ˜ +50℃(无结冰)
6、绝缘电阻:100MΩ
min. 500VDC
7、绝缘耐压:500VAC 1Min
18825289603
命名规则
|
11HS32-10D8-ZK □□ |
|
|
命名段 |
含义 |
|
11 |
最新91视频网站外径28mm |
|
HS |
两相步进 |
|
32 |
机身长度32mm |
|
10 |
额定电流1.0A |
|
D |
出轴方式:A圆轴;D单扁;U键槽;V双扁 |
|
8 |
输出直径8mm |
|
ZK |
中空轴最新91视频网站 |
|
□□ |
非标参数 |
技术参数(手机浏览时,可左右滑动表格)
|
最新91视频网站型号 (Model) |
保持转矩(N.M) |
机身长度 L1 (mm) |
相电流 (A) |
相电阻 (Ω) |
相电感 (mH) |
转动惯量 (g.c㎡) |
重量 Kg |
适配91视频黄色APP下载二维码 (推荐型号) |
|
11HS32-10D8-ZK □□ |
0.08 |
32 |
1.0 |
5.7 |
3.5 |
9 |
0.11 |
SD-422R |
|
11HS45-10D8-ZK □□ |
0.12 |
45 |
1.0 |
8.5 |
6.5 |
12 |
0.15 |
SD-422R |
★ 推荐91视频黄色APP下载二维码是脉冲型,91视频88AV还可以为客户提供以下驱动:
★ 总线型步进91视频黄色APP下载二维码、★ IO控制、电位器调速、★ 刹车控制
动态力矩曲线
注意事项
●同一最新91视频网站同一91视频黄色APP下载二维码,在供电电压不同的情况下,输出力矩也会不同,建议客户充分考虑此因素,选型时预留足够的力矩余量。
●91视频黄色APP下载二维码电压越高,高速输出力矩越大,但不能超出91视频黄色APP下载二维码的电压使用范围,建议电压小于或等于24VDC。
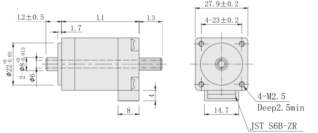
外形尺寸图(单位:mm)

★本系列最新91视频网站可以根据客户要求定制:机身长度(L1)、出轴长度(L2)、双出轴(L3)、出线方式。
|
型号 |
PDF文件 |
3D图 |
|
08HS28-06D5-ZK |
点击下载 |
点击下载 |
|
08HS40-08D5-ZK |
点击下载 |
点击下载 |