91视频88AV,最新91视频网站,91视频网站导航APP,91视频黄色APP下载二维码

    金若豪

    值得信赖的
    运动控制产品制造商

    服务热线: 18825289603

    您所在的位置: 首页 >

    PF90行星减速步进最新91视频网站

    • 品牌:91视频88AV
    • 推荐91视频黄色APP下载二维码: SA-872E
    • 步距角:1.8°
    • 也可选配总线性91视频黄色APP下载二维码
    1、高精度、低噪音,精滚钢齿精确啮和,同心度高。

    2、一体式抱紧换式输入轴,传动更平稳。

    3、安装简单,便捷。

    4、交期短,性价比高。

    18825289603

    在线咨询
    • 技术参数
    • 外形尺寸
    • 资料下载

    命名规则

    34HS80-45U14PF05 □□

    命名段

    含义

    34

    最新91视频网站外径86mm

    HS

    两相步进

    80

    机身长度80mm

    45

    额定电流4.5A

    U

    出轴方式:A圆轴;D单扁;U键槽;V双扁

    14

    输出直径14mm

    PF05

    输出端形状比速:方形5比

    □□

    非标参数


    技术参数(手机浏览时,可左右滑动表格)

    最新91视频网站型号

    Model

    保持转矩(N.M

    机身长度

    (mm)

    相电流

    (A)

    相电阻

    (Ω)

    相电感

    (mH)

    转动惯量

    (g.c)

    重量

    Kg

    适配91视频黄色APP下载二维码

    (推荐型号)

    34HS80-45U14PF05  □□

    4.50

    80

    4.5

    0.41

      2.90

    2100

    2.33

    SA-872E

    34HS118-60U14PF05 □□

          8.50

    118

    6.0

    0.49

    4.00

       2700

    3.78

    SA-872E

    34HS156-60U14PF05 □□

    12.00

    156

    6.0

    0.76

    8.40

       4000

    5.43

    SA-872E

    推荐91视频黄色APP下载二维码是脉冲型,91视频88AV还可以为客户提供以下驱动:

    总线型步进91视频黄色APP下载二维码、IO控制、电位器调速


    动态力矩曲线

    曲线图

    曲线图

    曲线图


    注意事项

    同一最新91视频网站同一91视频黄色APP下载二维码,在供电电压不同的情况下,输出力矩也会不同,建议客户充分考虑此因素,选型时预留足够的力矩余量。

    91视频黄色APP下载二维码电压越高,高速输出力矩越大,但不能超出91视频黄色APP下载二维码的电压使用范围,建议电压小于或等于48VDC。

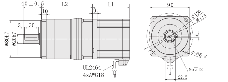
    外形尺寸图(单位:mm 

    90行星减速步进最新91视频网站外形尺寸图

    本系列最新91视频网站可以根据客户要求定制:机身长度(L1)、减速箱长度(L2)、出线方式;

    加配:断电刹车、IP65等级防水工艺。


    PDF文件

    3D

    34HS80-45U14PF05

    点击下载

    点击下载

    34HS118-45U14PF05

    点击下载

    点击下载

    34HS156-60U14PF05

    点击下载

    点击下载

    电话咨询

    电话咨询
    18825289603

    在线咨询

    QQ咨询

    返回顶部

    网站地图